联系我们
- 全国免费服务电话
- 地址:永嘉县瓯北镇东瓯街道张堡工业区
- 电话:0577-67317379、67365232
- 手机:13868647363
- 邮箱:zhongtefamen@163.com
- 传真:0577-67317193
![[field:title/]](/uploads/190413/1-1Z413224I63b.png)
P4X-10、16复合式排气阀
来源:铸铁镶铜圆闸门 发布时间:2019-04-13 22:47 浏览次- 型号:P4X
- 连接形式:丝扣、法兰
- 主体材料:铸钢、不锈钢
- 公称通径:10-300
- 适用介质:水、气体
- 密封形式:软密封
- 外形:中型
- 流动方向:单向
- 驱动方式:手动、气动、电动
产品说明
P4X复合式排气阀采用双气口设计,在右侧延伸还有一个小型排气阀,主要用于水泵出口及给水、排水管线中,具有自动排气与自动补气的功能,提高输水管路的排送效率,降低排送成本。一旦管道内产生负压,迅速导入外界空气,保护管线免受压破坏;并可迅速排出管道中的空气。
一、P4X复合式排气阀产品特点:
1.密封可靠,特殊密封设计;
2.自动排气与自动补气,无须人去操作;
3.具有三种功能:(1)排出管道中的大量空气;(2)系统运行中的小量排气;(3)高速导入外界空气;
4.经久耐用。小浮球按固定轨迹运动,不会碰撞壳体;
5.关闭力大,较其它排气阀增加了配重—加大了关闭力;
6.较其它种类的排气阀的高度尺寸小,(其他排气阀为阀盖中央排气);
7.不会有压力水冲刷浮球,引起浮球的误动关闭。
二、P4X复合式排气阀技术参数:
1.公称压力:1.0Mpa;
2.适用介质:清水、污水、原水;
3.介质温度:0-80℃
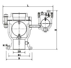
三、P4X复合式排气阀主要外形连接尺寸:

|
公称 通径 |
外形尺寸(mm) |
法兰尺寸(mm) |
|||||
|
长度A |
宽度B/L |
高度H |
外径D |
螺栓孔中心圆直径 K |
法兰厚 度 C |
螺栓孔 n-d |
|
|
DN50 |
250 |
130 |
260 |
165 |
125 |
19 |
4-19 |
|
DN80 |
315 |
170 |
340 |
200 |
160 |
19 |
8-19 |
|
DN100 |
413 |
334 |
220 |
180 |
19 |
8-19 |
|
|
DN150 |
580 |
520 |
285 |
240 |
19 |
8-23 |
|
|
DN200 |
668 |
640 |
340 |
295 |
22 |
8-23 |
|
|
DN250 |
770 |
780 |
395 |
350 |
22 |
12-23 |
|
|
DN300 |
850 |
920 |
445 |
400 |
24.5 |
12-23 |
|
亲爱的客户:
首先感谢您访问我们的中特官网www.zhongtefamen.com,希望我们的网站能给您提供所需要的阀门信息,如果您对我们的产品还有其他的疑问,建议或者服务,欢迎您随时拨打我们的热线电话13868647363与我们取得联系。我们一定会尽最大的努力给您提供完善优质的服务。最后中特人祝福您,您的满意就是我们最大的荣幸!
产品关键词:排气阀,角式排气阀,复合式排气阀,单口排气阀,排泥阀





