联系我们
- 全国免费服务电话
- 地址:永嘉县瓯北镇东瓯街道张堡工业区
- 电话:0577-67317379、67365232
- 手机:13868647363
- 邮箱:zhongtefamen@163.com
- 传真:0577-67317193
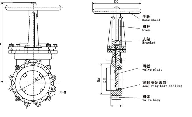
PZ43H手动刀型闸阀介绍
手动刀型闸阀PZ43H
设计制造 Design and manufacture: JB/T8691-1998
结构长度 structural length: GB/T15188.2-94
法兰连接 Flange connection: GB/T9113.1-2000 JB/T79-94
试验与验收 testing and acceptance: GB/T13927-92
主要零部件材质 Key parts material 阀体、上盖Valve body, upper cap碳钢、不锈钢Carbon steel, stainless steel
阀板Valve plate不锈钢stainless steel
阀杆Stem不锈钢stainless steel
密封圈Seal ring橡胶、四氟、不锈钢、硬质合金Rubber, PTFE, stainless steel,hard alloy

主要性能规范 Key performance indicators
公称压力Nominal pressurePN
壳体试验Casing test1.5XPN
密封试验Leak test1.1XPN
手动刀型闸阀的变频器工作温度Operating temperature橡胶≤80℃ 四氟密封≤180℃ 硬密封≤425℃Rubber 80℃, PTFE≤180℃, hard sealing ≤425℃
适用介质Working medium糖浆、纸浆、污水、煤浆、灰、渣水混合物Syrup, paper pulp, sewage, coal slurry, dust, slag-water mix
如有更多阀门相关需要,请访问我们网站 www.zhongtefamen.com。
