联系我们
- 全国免费服务电话
- 地址:永嘉县瓯北镇东瓯街道张堡工业区
- 电话:0577-67317379、67365232
- 手机:13868647363
- 邮箱:zhongtefamen@163.com
- 传真:0577-67317193
手动盲板阀(眼镜阀)
来源: 盲板阀 发布时间: 2017-03-31 10:40 次浏览
SYZ43X-2.5手动盲板阀(眼镜阀)
产品信息SYZ43X-2.5手动盲板阀(眼镜阀)
公称通径:DN300~2000
公称压力:0.05~0.25MPa
适用温度:120℃、200℃、300℃
驱动方式:手动
适用介质:煤气及有毒、有害、易燃气体
SYZ43X-2.5手动眼镜阀又名手动扇形眼镜阀、手动扇形盲板阀、翻板阀、扇形阀,是按GB6222《工业企业煤气安全规程》的有关标准同时消化吸收国内外先进技术基础上自行研制开发的新一代产品。广泛用于工矿企业、市政、环保等行业的气体介质管理系统中,尤其适用于有害、有毒、易燃气体的绝对切断。亦适宜做管道终端的盲板,以缩短检修时间或方便连接新的管路系统。
手动眼镜阀与其他在管路中做绝对切断的阀门设备比较,具有结构新颖、重量轻、体积小、操作方便、动作迅速、切断气体性能绝对可靠的特点。

SYZ43X手动眼镜阀性能参数:
|
公称压力MPa
|
0.25
|
0.15
|
0.10
|
0.05
|
|
密封试验压力MPa
|
0.275
|
0.165
|
0.11
|
0.055
|
|
强度试验压力MPa
|
0.40
|
0.225
|
0.15
|
0.075
|
|
适用温度℃
|
丁腈橡胶
|
硅橡胶
|
氟橡胶
|
|
|
<120
|
<250
|
<300
|
||
|
适用介质
|
煤气等
|
|||
|
采用标准
|
连接法兰尺寸符合JB/T81-94标准,检测方法符合GB/T13927-92标准
|
|||
|
主要零部件材料
|
阀体、闸板为碳钢;连接轴、伸缩器为碳钢或不锈钢;密封圈为橡胶
|
|||
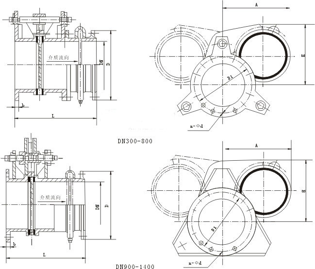
SYZ43X手动眼镜阀主要外形连接尺寸:

|
DN
|
D
|
D1
|
b
|
n-φd
|
长系列 L
|
|
200
|
320
|
280
|
14
|
8-φ18
|
500
|
|
250
|
375
|
335
|
14
|
12-φ18
|
500
|
|
300
|
440
|
395
|
16
|
12-φ22
|
500
|
|
350
|
490
|
445
|
16
|
12-φ22
|
500
|
|
400
|
540
|
495
|
16
|
16-φ22
|
600
|
|
450
|
595
|
550
|
20
|
16-φ22
|
600
|
|
500
|
645
|
600
|
20
|
20-φ22
|
600
|
|
600
|
755
|
705
|
20
|
20-φ26
|
600
|
|
700
|
860
|
810
|
20
|
24-φ26
|
600
|
|
800
|
975
|
920
|
22
|
24-φ30
|
600
|
|
900
|
1075
|
1020
|
22
|
24-φ30
|
630
|
|
1000
|
1175
|
1120
|
22
|
28-φ30
|
630
|
|
1200
|
1375
|
1320
|
22
|
32-φ30
|
750
|
|
1400
|
1575
|
1520
|
26
|
36-φ30
|
750
|
|
1500
|
1675
|
1620
|
26
|
36-φ30
|
750
|
|
1600
|
1790
|
1730
|
26
|
40-φ30
|
750
|
|
1800
|
1990
|
1930
|
26
|
44-φ30
|
750
|
|
2000
|
2190
|
2130
|
26
|
48-φ30
|
750
|
如有更多阀门相关需要,请访问我们网站 www.zhongtefamen.com。
