联系我们
- 全国免费服务电话
- 地址:永嘉县瓯北镇东瓯街道张堡工业区
- 电话:0577-67317379、67365232
- 手机:13868647363
- 邮箱:zhongtefamen@163.com
- 传真:0577-67317193
![[field:title/]](/uploads/190413/1-1Z41314142X62.png)
方形蝶阀
来源:蝶阀 发布时间:2019-04-13 14:14 浏览次- 型号:FD341W
- 连接形式:法兰
- 主体材料:碳钢、不锈钢
- 公称通径:40-3000
- 适用介质:烟气
- 密封形式:硬密封 软密封
- 外形:中型
- 流动方向:单向
- 驱动方式:手动,气动,电动
产品说明
蝶阀是一种结构简单的调节阀,同时也可用于低压管道介质的开关控制。方形蝶阀故名思意就是方形的蝶阀,方形蝶阀隶属与通风蝶阀系列!通风蝶阀是一种非密闭型蝶阀。通风蝶阀应用于化工、建材、电站、玻璃等行业中的通风、环保工程的含尘冷风或热风气体管道中,作为气体介质调节流量或切断的管道控制装置。本类阀门在管道中一般应当水平安装。

一、 方形蝶阀结构特点
1).采用中线式碟板与短结构钢板焊接的新型结构形式设计制造的,结构紧凑、重量轻、便于安装、流阻小、流通量大,避免高温膨胀的影响,操作轻便
2).内无连杆、螺栓等、工作可靠、使用寿命长。可以多工位安装,不受介质流向影响
二、方形蝶阀用途
方形蝶阀是一种非密闭型蝶阀,广泛适用于建材、冶金、矿山、电力等生产过程种介质温度≤300℃公称压力为0.1Mpa的管道上,用以连通、启闭或调节介质量。
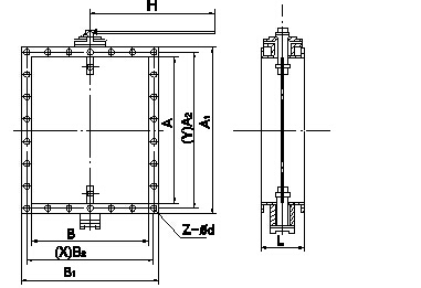
三、方形蝶阀尺寸图

四、方形蝶阀连接尺寸
A ´ BA1´B1A2´B2LBHYXZ-ΦdWt/kg
120´120180´180155´1551206350228-1014
160´120220´180195´15512063503210-1016
160´160220´220195´19512063503312-1018
200´160260´220235´19512083504314-1022
200´200260´260235´23512083504416-1028
亲爱的客户:
首先感谢您访问我们的中特官网www.zhongtefamen.com,希望我们的网站能给您提供所需要的阀门信息,如果您对我们的产品还有其他的疑问,建议或者服务,欢迎您随时拨打我们的热线电话13868647363与我们取得联系。我们一定会尽最大的努力给您提供完善优质的服务。最后中特人祝福您,您的满意就是我们最大的荣幸!
产品关键词:方形蝶阀 电动方形蝶阀 方形通风蝶阀




