联系我们
- 全国免费服务电话
- 地址:永嘉县瓯北镇东瓯街道张堡工业区
- 电话:0577-67317379、67365232
- 手机:13868647363
- 邮箱:zhongtefamen@163.com
- 传真:0577-67317193
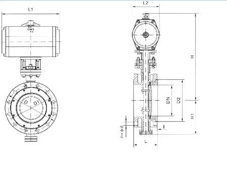
![[field:title/]](/uploads/190413/1-1Z413140F5242.png)
气动硬密封蝶阀
来源:蝶阀 发布时间:2019-04-13 14:06 浏览次- 型号:D643H
- 连接形式:对夹
- 主体材料:碳钢、不锈钢
- 公称通径:40-2000
- 适用介质:水
- 密封形式:硬密封
- 外形:中型
- 流动方向:单向
- 驱动方式:气动
产品说明
气动硬密封蝶阀的详细资料:
一、简介:
气动硬密封蝶阀是用随阀柑转动的圆形蝶板做启闭性,以实现启用动作的气动阀门主要做截断阀使用,亦可设计成具有调节或段阀兼调节的功能,目前碟阀在低压大中口径管道上的使用越来越多。
二、阀门适用环境:
气动硬密封蝶阀的蝶板安装于管道的直径方向。在蝶阀阀体圆柱形通道内,圆盘形蝶板绕着轴线旋转,旋转角度为0°~90°之间,旋转到90°时,阀门则牌全开状态。气动硬密封蝶阀结构简单、体积小、重量轻,只由少数几个零件组成。而且只需旋转90°即可快速启闭,操作简单,同时该电动阀门具有良好的流体控制特性。蝶阀处于完全开启位置时,蝶板厚度是介质流经阀体时唯一的阻力,因此通过该阀门所产生的压力降很小,故具有较好的流量控制特性。蝶阀有弹密封和金属的密封两种密封型式。弹性密封阀门,密封圈可以镶嵌在阀体上或附在蝶板周边。如果要求蝶阀作为流量控制使用,主要的是正确选择阀门的尺寸和类型。蝶阀的结构原理尤其适合制作大口径阀门。蝶阀不仅在石油、煤气、化工、水处理等一般工业上得到广泛应用,而且还应用于热电站的冷却水系统。

三、工作原理:
气动硬密封蝶阀是用随阀柑转动的圆形蝶板做启闭性,以实现启用动作的气动阀门主要做截断阀使用,亦可设计成具有调节或段阀兼调节的功能,目前碟阀在低压大中口径管道上的使用越来越多。
四、优点:
结构简单,体积小重量轻,造价低,气动硬密封蝶阀该特点尤其显著,安装在高空暗道,经过二位五通电磁阀控制操作方便,也可调节流量介质。流体阻力较小,中大口径的气动碟阀全开时有效流通面积较大,启闭迅速省力,碟扳旋转90角度即可完成启闭,由于转轴两侧碟板手介质作用力接近相等,而产生的转矩方向相反,因而启闭力矩较小,低压下可实现良好的密封,碟阀密封材料有丁晴橡胶、氟橡胶,食用橡胶,衬四氟故密封性能良好,其中硬密封碟阀为软硬层叠式金属片具有金属硬密封和弹性密封的重优点,无论在低温情况下均具有优良的密封性能。
亲爱的客户:
首先感谢您访问我们的中特官网www.zhongtefamen.com,希望我们的网站能给您提供所需要的阀门信息,如果您对我们的产品还有其他的疑问,建议或者服务,欢迎您随时拨打我们的热线电话13868647363与我们取得联系。我们一定会尽最大的努力给您提供完善优质的服务。最后中特人祝福您,您的满意就是我们最大的荣幸!
产品关键词 :蝶阀 硬密封蝶阀 法兰软密封蝶阀 三偏心硬密封蝶阀 法兰金属硬密封蝶阀





