联系我们
- 全国免费服务电话
- 地址:永嘉县瓯北镇东瓯街道张堡工业区
- 电话:0577-67317379、67365232
- 手机:13868647363
- 邮箱:zhongtefamen@163.com
- 传真:0577-67317193
![[field:title/]](/uploads/190413/1-1Z413095P3430.jpg)
手动盲板阀
来源:盲板阀 发布时间:2019-04-13 09:57 浏览次- 型号:F43X
- 连接形式:法兰
- 主体材料:碳钢,不锈钢
- 公称通径:100-3500
- 适用介质:煤气、易燃有害气体
- 密封形式:软密封
- 外形:中型
- 流动方向:单向
- 驱动方式:手动,涡轮,气动,手电两用
产品说明
一、F43X手动扇形盲板阀的详细资料:
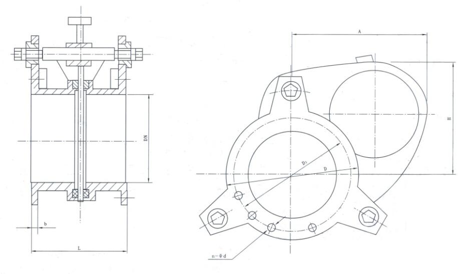
F43X型手动眼镜阀由左阀体、右阀体,阀板,连接轴(三根)组成。用专用板手旋转连接轴,螺旋付驱动左右阀体完成夹紧和松开动作,利用阀板上盲板和通孔的位置变换达到启闭目的。具有结构简单,重量轻,性能可靠,操作方便等特点。本阀为短结构系列,橡胶密封圈分别安装在左,右阀体上。本阀用于手动操作的场合。
二、F43X手动扇形盲板阀结构小样图:

三、F43X手动扇形盲板阀主要外形链接尺寸表:

亲爱的来访客户:
首先感谢您访问我们的中特官网www.zhongtefamen.com,希望我们的网站能给您提供所需要的阀门信息,如果您对我们的产品还有其他的疑问,建议或者服务,欢迎您随时拨打我们的热线电话13868647363与我们取得联系。我们一定会尽最大的努力给您提供完善优质的服务。最后中特人祝福您,您的满意就是我们最大的荣幸!
产品相关关键字: 手动扇形盲板阀 扇形盲板阀 手动盲板阀





