联系我们
- 全国免费服务电话
- 地址:永嘉县瓯北镇东瓯街道张堡工业区
- 电话:0577-67317379、67365232
- 手机:13868647363
- 邮箱:zhongtefamen@163.com
- 传真:0577-67317193
![[field:title/]](/uploads/190413/1-1Z41310042E63.jpg)
电动盲板阀
来源:盲板阀 发布时间:2019-04-13 10:04 浏览次- 型号:F943X
- 连接形式:法兰
- 主体材料:碳钢,不锈钢
- 公称通径:100-3500
- 适用介质:煤气、易燃有害气体
- 密封形式:软密封
- 外形:中型
- 流动方向:单向
- 驱动方式:电动
产品说明
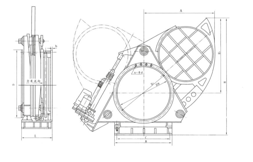
一、F943X电动扇形盲板阀结构简图

二、F943X电动扇形盲板阀主要结构特点
1、本阀由阀门本体、驱动装置,夹紧装置等组成。
2、阀门本体采用三点式结构,结构紧凑、整体刚性好、重量好。
3、阀体、阀板密封副采用不锈钢与橡胶组成的柔性密封副,密封可靠,密封圈采用氟橡胶,耐高温,使用寿命长。
4、夹紧机构采用丝杆螺母式,夹紧、松开动作迅速,自锁性好。
5、采用防爆型电机,无论在室内还是室外,均能保证阀门安全可靠运作。
6、本盲板阀可现场手动操作,也可远距离顺控。
7、本盲板阀也可单独设计电气控制箱操作控制装置,本机出厂不配电气控制箱,用户如需另订。
三、F943X电动扇形盲板阀作原理
1、由阀开启到阀关闭:
夹紧电机动作,带动丝杆作逆时针转动,阀体松开到位(指标灯显示),驱动电机动作,带动闸板作逆时针转动到位,闸板关闭到位(指示灯显示),夹紧电机动作,带动丝杆作顺时针转动,阀体夹紧到位(指示灯显示)完成阀门由开启到关闭的全过程。
2、阀门由关闭到开启:
夹紧电机动作,带动丝杆作逆时针转动,阀体松开到位(指标灯显示),驱动电机动作,带动闸板作顺时针转动,闸板开启到位,(指示灯显示)完成阀门由关闭到开启的全过程。
电动扇形盲板阀安装使用说明
1、电动扇形盲板阀安装完毕后,应做支架固定阀门底座,在动作时阀门受力于支架上。
首先启动电动夹紧装置把左右阀体位移,阀体和闸板完全脱离,在开启闸板电动装置,闸板开启或关闭,随后再启动电动夹紧装置,检查左右阀体是否紧贴在阀体上及电动装置工作时限位开关是否工作。
2、橡胶密封圈不得与阀体粘连或发生硬摩擦,以防止损坏橡胶密封圈,破坏阀门的工作性能。
3、扇形盲板阀为敞开式阀门,左右阀体松开时,介质要外溢,为确保安全,在关闭时,请先关闭眼镜阀前的煤气蝶阀,请采用通风和其它能保证安全的措施,同时建议阀板下不能站人,以防万一造成人员伤害。
亲爱的来访客户:
首先感谢您访问我们的中特官网www.zhongtefamen.com,希望我们的网站能给您提供所需要的阀门信息,如果您对我们的产品还有其他的疑问,建议或者服务,欢迎您随时拨打我们的热线电话13868647363与我们取得联系。我们一定会尽最大的努力给您提供完善优质的服务。最后中特人祝福您,您的满意就是我们最大的荣幸!
产品相关关键字: 电动眼镜阀 电动推杆眼镜阀 电动盲板阀 手动眼镜阀 蜗轮式眼镜阀




