联系我们
- 全国免费服务电话
- 地址:永嘉县瓯北镇东瓯街道张堡工业区
- 电话:0577-67317379、67365232
- 手机:13868647363
- 邮箱:zhongtefamen@163.com
- 传真:0577-67317193
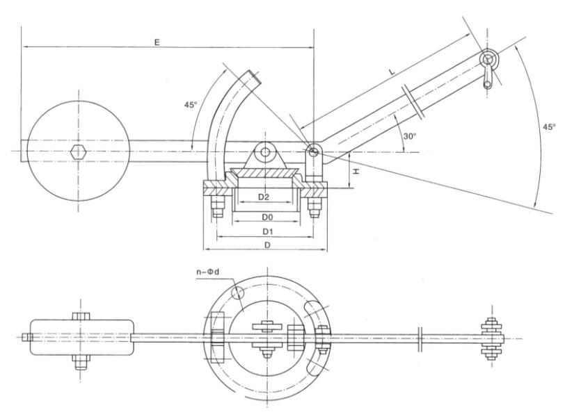
![[field:title/]](/uploads/190413/1-1Z413100315529.jpg)
除尘放散阀
来源:铸铁镶铜闸门 发布时间:2019-04-13 10:03 浏览次- 型号:FS65X/W
- 连接形式:法兰
- 主体材料:碳钢,不锈钢
- 公称通径:DN150-600
- 适用介质:煤气、易燃有害气体
- 密封形式:硬密封
- 外形:中型
- 流动方向:单向
- 驱动方式:手动,气动,电动,液动
产品说明
产品名称:除尘放散阀
产品型号:FS65X/W
产品规格:DN150-600
公称压力:0.1-0.25MPa
适用温度: ≤300℃
开启角度:45度
主要性能:FS65W型密封面为本体材料,FS65HL型密封面对焊耐磨合金钢。
适用介质:煤气、空气、和其它气体
产品说明:本阀由阀座、阀盖、阀杆、重锤、限制器等零件组成。阀杆为一杠杆机构,用阀杆的起落实现阀门
的启闭,依靠重锤的重力使密封面吻合。适用于高炉及热风炉系统的放散系统。


亲爱的来访客户:
首先感谢您访问我们的中特官网www.zhongtefamen.com,希望我们的网站能给您提供所需要的阀门信息,如果您对我们的产品还有其他的疑问,建议或者服务,欢迎您随时拨打我们的热线电话13868647363与我们取得联系。我们一定会尽最大的努力给您提供完善优质的服务。最后中特人祝福您,您的满意就是我们最大的荣幸!
产品相关关键字: 除尘放散阀 放散阀 均压放散阀 炉顶放散阀





